Casa Das Fechaduras
3470.2155      
 


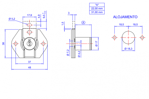
Componente para Móveis - Papaiz - FECHADURA PARA GAVETA ART. 861 CILINDRO CURTO

R$ Consulte



? Informações Técnicas:

  • Fechadura de embutir;
  • Produzido em zamac;
  • Acabamento em cromado;
  • Rotação 180º anti-horário;
  • Extração de chave 2 (duas). 



Preencha o formulário e solicite informações.


ENVIAR CONTATO

Das Fechaduras

Av. Flores da Cunha, 2134 - Vila Cachoeirinha
Parada 54 - CEP 94910-003
loja 02 - Cachoeirinha/RS

CONTATO

51 3470.2155

Segunda a Sexta:
08h30 às 12h e das 13h30 às 18h
Sábado: 08h30 às 12h